公布日:2023.08.29
申請日:2023.06.08
分類號:C02F11/00(2006.01)I;C02F11/121(2019.01)I;C02F11/04(2006.01)I
摘要
本發明提供一種污泥中有機物與無機物分離系統及分離方法,包括料倉,所述料倉具有進料口和出料口,所述料倉的出料口依次連接有螺桿泵及研磨泵,所述研磨泵的出料口連接一級旋流器的進料口,所述一級旋流器具有第一出料口和第二出料口,所述第一出料口及所述第二出料口分別可選擇的連接二級污泥緩沖罐,所述第一出料口還連接有機物處理裝置,所述第二出料口連接砂水分離器,所述二級污泥緩沖罐經渣漿泵連接二級旋流器的進料口,所述二級旋流器具有第三出料口和第四出料口,所述第三出料口連接所述有機物處理裝置,所述第四出料口連接所述砂水分離器。能夠克服現有技術中污泥熱水解過程能耗大,投資與運行成本均較高的缺陷。

權利要求書
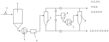
1.一種污泥中有機物與無機物分離系統,其特征在于,包括料倉(2),所述料倉(2)具有進料口和出料口,所述料倉(2)的出料口依次連接有螺桿泵(3)及研磨泵(4),所述研磨泵(4)的出料口連接一級旋流器(5)的進料口,所述一級旋流器(5)具有第一出料口和第二出料口,所述第一出料口及所述第二出料口分別可選擇的連接二級污泥緩沖罐(6),所述第一出料口還連接有機物處理裝置,所述第二出料口連接砂水分離器(9),所述二級污泥緩沖罐(6)經渣漿泵(7)連接二級旋流器(8)的進料口,所述二級旋流器(8)具有第三出料口和第四出料口,所述第三出料口連接所述有機物處理裝置,所述第四出料口連接所述砂水分離器(9)。
2.根據權利要求1所述的污泥中有機物與無機物分離系統,其特征在于,當所述第一出料口連接所述二級污泥緩沖罐(6),所述第二出料口關閉與所述二級污泥緩沖罐(6)的連接時,所述第二出料口連接所述砂水分離器(9)導通。
3.根據權利要求1所述的污泥中有機物與無機物分離系統,其特征在于,當所述第二出料口連接所述二級污泥緩沖罐(6),所述第一出料口關閉與所述二級污泥緩沖罐(6)的連接時,所述第一出料口連接有機物處理裝置導通。
4.根據權利要求1所述的污泥中有機物與無機物分離系統的分離方法,其特征在于,調質步驟:污水處理后產生的污泥(1)卸入料倉(2)中,攪拌均勻,測定污泥pH值,加入酸/堿調節質,將所述pH值調節到預設值,獲得預處理污泥;研磨步驟:啟動螺桿泵(3)與研磨泵(4),將預處理污泥由螺桿泵(3)泵入研磨泵(4)進行研磨處理,使細胞破壁,破壞膠體結構,獲得研磨后污泥;分離步驟:將研磨后污泥打入一級旋流器(5),進行旋流分離,根據污泥(1)的不同組份,選擇性導通一級旋流器(5)的兩個出料口與二級污泥緩沖罐(6)之間的連接關系。
發明內容
因此,本發明提供一種污泥中有機物與無機物分離系統及分離方法,能夠克服現有技術中污泥熱水解過程能耗大,投資與運行成本均較高的缺陷。
為了解決上述問題,本發明提供一種污泥中有機物與無機物分離系統,包括料倉,所述料倉具有進料口和出料口,所述料倉的出料口依次連接有螺桿泵及研磨泵,所述研磨泵的出料口連接一級旋流器的進料口,所述一級旋流器具有第一出料口和第二出料口,所述第一出料口及所述第二出料口可選擇的連接二級污泥緩沖罐,所述第一出料口還連接有機物處理裝置,所述第二出料口連接砂水分離器,所述二級污泥緩沖罐經渣漿泵連接二級旋流器的進料口,所述二級旋流器具有第三出料口和第四出料口,所述第三出料口連接所述有機物處理裝置,所述第四出料口連接所述砂水分離器。
在一些實施方式中,當所述第一出料口連接所述二級污泥緩沖罐,所述第二出料口關閉與所述二級污泥緩沖罐的連接時,所述第二出料口連接所述砂水分離器導通。
在一些實施方式中,當所述第二出料口連接所述二級污泥緩沖罐,所述第一出料口關閉與所述二級污泥緩沖罐的連接時,所述第一出料口連接有機物處理裝置導通。
本發明還提供一種污泥中有機物與無機物分離方法,
調質步驟:污水處理后產生的污泥卸入料倉中,攪拌均勻,測定污泥pH值,加入酸/堿調節質,將所述pH值調節到預設值,獲得預處理污泥。
研磨步驟:啟動螺桿泵與研磨泵,將預處理污泥由螺桿泵泵入研磨泵進行研磨處理,使細胞破壁,破壞膠體結構,獲得研磨后污泥。
分離步驟:將研磨后污泥打入一級旋流器,進行旋流分離,根據污泥的不同組份,選擇性導通一級旋流器的兩個出料口與二級污泥緩沖罐之間的連接關系。
本發明提供的一種污泥中有機物與無機物分離系統及分離方法,通過對污泥進行調質,配合機械研磨,完成有機物無機物分離,能夠解決污泥熱水解方法的不足,并去除污泥中無機物砂粒,操作方便、能源消耗低,為污泥中有機物無機物分離工藝的大規模應用提供了新的途徑。
(發明人:徐世義;吳飛;蔣榮輝;周向民)






