公布日:2023.08.29
申請日:2023.06.08
分類號:A01K63/04(2006.01)I;A01K63/00(2017.01)I
摘要
本發明公開了一種基于工廠化養殖的水循環處理系統,包括污水池、清水池、沉淀池和若干養魚池,若干所述養魚池的底部分別通過排水溝與所述污水池連通,所述污水池通過水泵一向沉淀池內泵送污水,所述沉淀池底部的沉淀物通過污泥泵排出,所述述沉淀池內固定安裝立柱,所述立柱上設有抽水單元,所述抽水單元伸到所述清水池內并將所述沉淀池內的上層清水泵送到清水池中,所述清水池通過水泵二分別向若干所述養魚池泵送清水,所述立柱的上端固定安裝沖洗單元。本發明的有益效果是,有效的提升水處理效率,且具有較為廣泛的適用范圍。

權利要求書
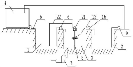
1.一種基于工廠化養殖的水循環處理系統,包括污水池(1)、清水池(2)、沉淀池(3)和若干養魚池(4),若干所述養魚池的底部分別通過排水溝(5)與所述污水池連通,所述污水池通過水泵一(6)向沉淀池內泵送污水,所述沉淀池底部的沉淀物通過污泥泵(7)排出,其特征在于,所述沉淀池內固定安裝立柱(8),所述立柱上設有抽水單元,所述抽水單元能夠漂浮在水面上并能夠沿著所述立柱的長度方向實施升降動作,所述抽水單元伸到所述清水池內并將所述沉淀池內的上層清水泵送到清水池中,所述清水池通過水泵二(9)分別向若干所述養魚池泵送清水,所述立柱的上端固定安裝沖洗單元,所述沖洗單元伸到所述污水池內并能夠抽取所述污水池內的污水,所述沖洗單元與所述抽水單元連接并利用抽取的污水沖洗所述抽水單元和所述沉淀池。
2.根據權利要求1所述的一種基于工廠化養殖的水循環處理系統,其特征在于,所述抽水單元在抽取所述沉淀池上層清水的過程中能夠跟隨水面下降,當所述抽水單元與所述沉淀物接觸時,所述抽水單元能夠發出提示來提醒工作人員啟動所述污泥泵并關閉所述抽水單元,當所述沉淀池內的大部分沉淀物被所述污泥泵排出后,所述沖洗單元啟動并抽取所述污水池內的污水對所述沉淀池的內壁和所述抽水單元進行沖洗。
3.根據權利要求2所述的一種基于工廠化養殖的水循環處理系統,其特征在于,所述抽水單元包括支架(10)和浮筒(11),所述支架套在所述立柱上,所述支架能夠沿著所述立柱的長度方向進行升降滑動,所述浮筒的形狀為圓環形,所述浮筒套在所述支架的外邊緣上并與所述支架的外邊緣固定連接,所述支架上固定安裝抽水筒(12),所述抽水筒是兩端均為開口的圓筒,所述抽水筒豎直向下貫穿所述支架,所述抽水筒的側表面上設有兩個通孔,其中一個所述通孔與軟管(13)的一端連接,另一個所述通孔通過連接管(14)與沖洗單元連接,所述軟管的另一端伸到所述清水池的邊緣,所述清水池的邊緣處固定安裝水泵三(15),所述水泵三的進水口與所述軟管的另一端對接,所述水泵三的出水口伸入所述清水池,所述抽水管內設有提示單元,所述提示單元位于兩個所述通孔的下方,當所述抽水管的下端口與沉淀物接觸時,所述提示單元能夠向上伸出所述抽水筒的上端口發出提示。
4.根據權利要求3所述的一種基于工廠化養殖的水循環處理系統,其特征在于,所述提示單元包括圓環形活塞(23),圓環形活塞位于所述抽水筒的下端開口處,所述圓環形活塞能夠在抽水筒內上下滑動,所述圓環形活塞的中心孔處安裝過濾網(16),所述圓環形活塞在上升到最高位置時依然位于兩個所述通孔的下方,所述圓環形活塞的上表面固定安裝支撐桿(17),所述支撐桿的上端位于所述抽水筒內并指向所述抽水筒的上端開口,所述支撐桿的上端粘貼有反光標識貼(18),當所述圓環形活塞在上升到最高位置時,所述支撐桿上端的反光標識貼完全伸出所述抽水筒的上端開口。
5.根據權利要求4所述的一種基于工廠化養殖的水循環處理系統,其特征在于,所述抽水筒的下端開口在接觸沉淀物后,所述過濾網會被沉淀物堵塞,所述圓環形活塞的上方在所述軟管一端抽吸下形成負壓區域,所述圓環形活塞在壓力的作用下沿著所述抽水筒上升并將所述反光標識貼推舉出所述抽水筒的上端開口。
6.根據權利要求5所述的一種基于工廠化養殖的水循環處理系統,其特征在于,所述軟管的一端位于所述連接管的下方,所述連接管上安裝單向閥,所述單向閥的流通方向是由所述沖洗單元指向所述抽水筒。
7.根據權利要求6所述的一種基于工廠化養殖的水循環處理系統,其特征在于,所述沖洗單元包括固定安裝在所述立柱頂端的固定板(19),所述固定板的下表面固定安裝若干噴頭(20),若干所述噴頭圍繞立柱設置,若干所述噴頭的噴射方向分別指向所述沉淀池的側壁和底面,所述固定板的上表面固定安裝水泵四(21),所述水泵四的出水口分別與所述連接管和若干所述噴頭連接,所述水泵四的進水口與水管(22)的一端對接,所述水管的另一端伸入所述污水池。
8.根據權利要求1所述的一種基于工廠化養殖的水循環處理系統,其特征在于,若干所述養魚池均位于地面上,所述污水池、所述沉淀池和所述清水池均嵌入地面,所述養魚池的底面要高于污水池的上端面。
9.根據權利要求8所述的一種基于工廠化養殖的水循環處理系統,其特征在于,所述沉淀池和所述清水池內均安裝攪拌機。
發明內容
本發明的目的是為了解決上述問題,設計了一種基于工廠化養殖的水循環處理系統。
實現上述目的本發明的技術方案為,一種基于工廠化養殖的水循環處理系統,包括污水池、清水池、沉淀池和若干養魚池,若干所述養魚池的底部分別通過排水溝與所述污水池連通,所述污水池通過水泵一向沉淀池內泵送污水,所述沉淀池底部的沉淀物通過污泥泵排出,所述沉淀池內固定安裝立柱,所述立柱上設有抽水單元,所述抽水單元能夠漂浮在水面上并能夠沿著所述立柱的長度方向實施升降動作,所述抽水單元伸到所述清水池內并將所述沉淀池內的上層清水泵送到清水池中,所述清水池通過水泵二分別向若干所述養魚池泵送清水,所述立柱的上端固定安裝沖洗單元,所述沖洗單元伸到所述污水池內并能夠抽取所述污水池內的污水,所述沖洗單元與所述抽水單元連接并利用抽取的污水沖洗所述抽水單元和所述沉淀池。
所述抽水單元在抽取所述沉淀池上層清水的過程中能夠跟隨水面下降,當所述抽水單元與所述沉淀物接觸時,所述抽水單元能夠發出提示來提醒工作人員啟動所述污泥泵并關閉所述抽水單元,當所述沉淀池內的大部分沉淀物被所述污泥泵排出后,所述沖洗單元啟動并抽取所述污水池內的污水對所述沉淀池的內壁和所述抽水單元進行沖洗。
所述抽水單元包括支架和浮筒,所述支架套在所述立柱上,所述支架能夠沿著所述立柱的長度方向進行升降滑動,所述浮筒的形狀為圓環形,所述浮筒套在所述支架的外邊緣上并與所述支架的外邊緣固定連接,所述支架上固定安裝抽水筒,所述抽水筒是兩端均為開口的圓筒,所述抽水筒豎直向下貫穿所述支架,所述抽水筒的側表面上設有兩個通孔,其中一個所述通孔與軟管的一端連接,另一個所述通孔通過連接管與沖洗單元連接,所述軟管的另一端伸到所述清水池的邊緣,所述清水池的邊緣處固定安裝水泵三,所述水泵三的進水口與所述軟管的另一端對接,所述水泵三的出水口伸入所述清水池,所述抽水管內設有提示單元,所述提示單元位于兩個所述通孔的下方,當所述抽水管的下端口與沉淀物接觸時,所述提示單元能夠向上伸出所述抽水筒的上端口發出提示。
所述提示單元包括圓環形活塞,圓環形活塞位于所述抽水筒的下端開口處,所述圓環形活塞能夠在抽水筒內上下滑動,所述圓環形活塞的中心孔處安裝過濾網,所述圓環形活塞在上升到最高位置時依然位于兩個所述通孔的下方,所述圓環形活塞的上表面固定安裝支撐桿,所述支撐桿的上端位于所述抽水筒內并指向所述抽水筒的上端開口,所述支撐桿的上端粘貼有反光標識貼,當所述圓環形活塞在上升到最高位置時,所述支撐桿上端的反光標識貼完全伸出所述抽水筒的上端開口。
所述抽水筒的下端開口在接觸沉淀物后,所述過濾網會被沉淀物堵塞,所述圓環形活塞的上方在所述軟管一端抽吸下形成負壓區域,所述圓環形活塞在壓力的作用下沿著所述抽水筒上升并將所述反光標識貼推舉出所述抽水筒的上端開口。
所述軟管的一端位于所述連接管的下方,所述連接管上安裝單向閥,所述單向閥的流通方向是由所述沖洗單元指向所述抽水筒。
所述沖洗單元包括固定安裝在所述立柱頂端的固定板,所述固定板的下表面固定安裝若干噴頭,若干所述噴頭圍繞立柱設置,若干所述噴頭的噴射方向分別指向所述沉淀池的側壁和底面,所述固定板的上表面固定安裝水泵四,所述水泵四的出水口分別與所述連接管和若干所述噴頭連接,所述水泵四的進水口與水管的一端對接,所述水管的另一端伸入所述污水池。
若干所述養魚池均位于地面上,所述污水池、所述沉淀池和所述清水池均嵌入地面,所述養魚池的底面要高于污水池的上端面。
所述沉淀池和所述清水池內均安裝攪拌機。
有益效果利用本發明的技術方案制作的一種基于工廠化養殖的水循環處理系統,其具有如下優勢:1、本裝置通過抽水單元來抽取沉淀池內的上層清水,在完成上層清水抽取工作后利用沉淀物堵塞過濾網的方式驅動圓環形活塞帶著反光標識貼上升,進而提醒工作人員啟動沉淀物排放和沖洗過程,在保證水處理效果的同時,提升了工作人員對于水處理過程的控制準確性,保證了水處理工作的工作效率;2、本裝置利用沖洗單元抽取污水對沉淀池側壁、沉淀池底面、抽水筒內表面以及過濾網進行清潔沖洗,在實現沉淀池自動清洗工作的同時還避免了過濾網堵塞的技術問題,有效的保證了整個污水處理系統的工作性能;3、本裝置中抽水單元和沖洗單元的結構設計簡單,可直接應用于現有的水處理系統,無需大幅度更改現有的水處理系統結構,具有較廣泛的適用性。
(發明人:羅毅智;陸華忠;周星星;齊海軍;袁余;趙俊宏)






