好氧顆粒污泥具有沉降性能好、 污泥濃度高,易于固液分離,便于提高污水處理效率,降低污水處理成本等優點[1]而備受關注. 由于其特殊的顆粒球狀結構導致了污泥內外形成溶解氧(DO)濃度差,這便為好氧顆粒污泥工藝能夠實現同步去除COD、 氮和磷提供了合適的條件[2]. 據報道,DO是影響污水生物脫氮除磷的影響的關鍵因素之一[3],過低的DO會影響其硝化速率,易導致亞硝態氮積累,從而影響系統除磷效果; 而過高的DO又會致使反應器出水硝態氮含量過高,并且能耗較大[4]. 雖然低DO有利于污泥系統同步硝化反硝化的形成[2],但是關于低DO下,好氧顆粒污泥(AGS)系統處理生活污水同步脫氮除磷的長期運行特征至今報道不多; 關于好氧顆粒污泥中的生物種群構成,尤其是處理低COD/N比生活污水好氧顆粒系統中生物種群結構分析,更是鮮見報道. 一些研究學者采用原位熒光雜交技術(FISH)研究污水處理系統中脫氮除磷菌群的構成[5, 6]; 還有學者采用聚合酶鏈式反應和變性梯度凝膠電泳技術(PCR-DGGE)分析反應器中的生物種群的演變特征及主要菌群[7]等. 然而,以前的研究由于缺乏高通量技術分析結果,其結果僅限于氨氧化細菌(AOB)和亞硝化細菌(NOB)等個別菌群的分析,而缺乏相對完整的顆粒污泥系統生物種群構成信息. 了解生物反應器內主要功能菌群的構成有利于了解生化反應和工藝調控[8]. 近年來具有低成本、 高通量、 自動化程度高等特點的高通量測序技術逐漸發展起來,該技術能一次對多達幾百萬條DNA分子進行序列測定,同時也可以對一個物種的轉錄組和基因組進行細致的分析[9]. 并且該技術已經開始在污水處理系統中用于種群結構分析[10]. 因此,本實驗在序批式活性污泥反應器中(SBR)接種好氧顆粒污泥(AGS),構建成AGS-SBR系統,主要研究該系統在低DO下,處理低COD/N比生活污水的同步脫氮除磷的長期穩定運行特性,并采用高通量測序技術解析穩定運行期間的主要菌群構成,以期為該工藝應用于處理低COD/N比生活污水的實際工程及工藝調控提供可靠的實驗依據.1 材料與方法1.1 實驗裝置與運行方式
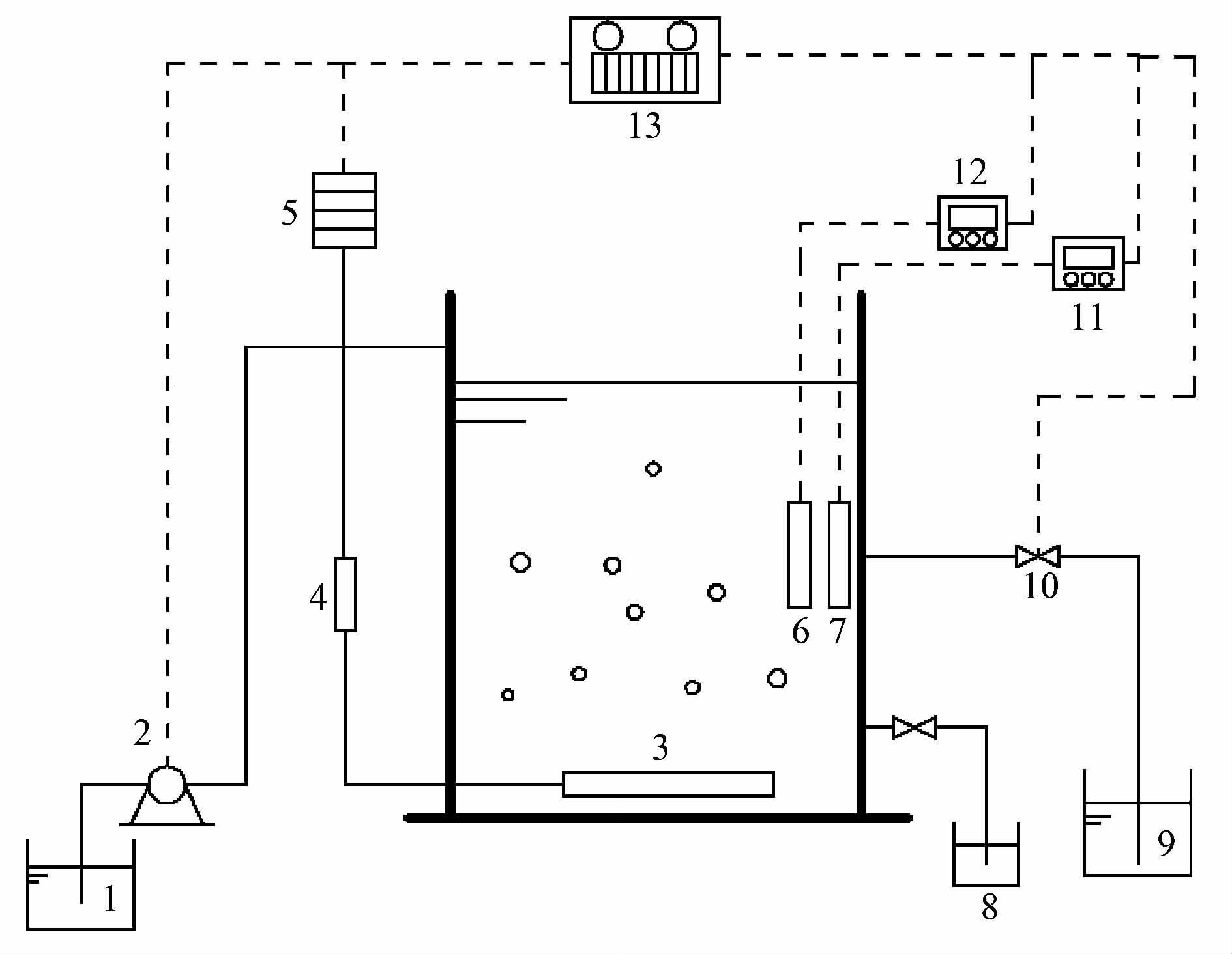
實驗裝置采用序批式活性污泥反應器(SBR)如圖 1所示. 反應器由有機玻璃制成,高20 cm,長10 cm,有效容積為1.5 L. 反應器上部和下部設置了排水口和取樣口,采用空氣壓力機通過底部的沙盤曝氣頭進行曝氣,轉子流量計控制氣體流量. 將反應器置于恒溫水浴鍋中,使其反應溫度保持在30℃左右. 反應器每天運行兩個周期,每個周期720 min: 進水5 min、 曝氣360 min、 沉淀5 min、 排水5 min、 余下345 min為閑置. 每周期排水為反應器有效容積的50%. 通過轉子流量計控制反應器的曝氣量,從而控制溶解氧(DO)濃度為0.5-1.0mg ·L-1. 根據實際情況進行排泥,使反應器內污泥齡約為20 d.

圖 1 SBR實驗裝置示意
1.2 接種污泥和實驗用水
接種污泥為本課題組前期同步脫氮除磷工藝成功啟動后60 d的好氧顆粒污泥,其直徑大約為0.6-1.5 mm,顏色為黃色,污泥體積指數SVI=55.22 mL ·g-1,實驗用水為人工配制的模擬生活污水[11]. 葡萄糖、 檸檬酸三鈉為碳源,(NH4)2SO4為氮源,KH2PO4為磷源,反應器啟動運行期,加入40 mg ·L-1 Ca2+以及微量Fe2+、 Cu2+等離子,NaHCO3調節pH至7.5-8.0,主要水質指標ρ(COD)為200-300mg ·L-1, ρ(TN)為50-60mg ·L-1,ρ(TP)為2-3.5mg ·L-1.
1.3 實驗分析方法1.3.1 污泥樣品采集及測序實驗流程
取自AGS-SBR穩定運行期的污泥樣品,首先,采用淤泥基因組DNA快速提取試劑盒(離心柱型),根據說明書提取樣品DNA,并將DNA提取物放在-20℃條件下保存. 然后,對16S rRNA的V3、 V4區域進行PCR擴增,引物338F: 5′-ACTC CTACGGGAGGCAGCA-3′,806R: 5′-GGACTACHV GGGTWTCTAAT-3′. PCR條件: 95℃預變性2 min,然后執行95℃變性30 s、 55℃退火 30 s、 72℃ 延伸30 s,共30個循環,最后再72℃退火5 min,擴增產物保持在4℃條件下. 樣本按照正式實驗條件進行,樣本3個重復,將同一樣本的PCR產物混合后用2%瓊脂糖電泳檢測,采用 AxyPrepDNA凝膠回收試劑盒(AXYGEN公司)切膠回收PCR產物,Tris-HCl洗脫,2%瓊脂糖電泳檢測; 然后,參照電泳初步定量結果,將PCR產物用QuantiFluorTM-ST藍色熒光定量系統(Promega公司)進行檢測定量,取合適的濃度進行EmPCR(平行擴增),用Illumina Miseq系統測序(上海美吉生物醫藥科技有限公司). 所得結果進行過濾處理,得到優化序列; 對優化序列在97%相似度水平進行OTU 聚類分析和物種分類學分析,分析樣品的多樣性以及群落結構[10, 12].
1.3.2 水質和污泥指標分析
實驗期間,水體COD、 NH4+-N、 TN、 NO3--N、 NO2--N和TP以及污泥MLSS、 SVI指標均按國標法測定[13]; 污泥形態觀察、 DO、 pH值測定均按照參考文獻[11]進行.
2 結果與分析
2.1 AGS-SBR除污性能的長期穩定運行特征
在AGS-SBR反應器穩定運行的180d里,反應器對污水COD、 氨氮、 TN、 TP的去除情況以及出水NO3--N和NO2--N的濃度情況如圖 2所示. 進水COD濃度在178.56-267.51 mg ·L-1之間波動,出水COD濃度為14.97-46.08 mg ·L-1,平均出水濃度為29.08 mg ·L-1. 整個運行期間,反應器對COD的去除效果始終保持較高的水平,平均去除率為87.17%[圖 2(a)]. 反應器對NH4+-N的去除情況如圖 2(b)所示,進水的NH4+-N濃度波動較大,為49.52-70.12 mg ·L-1,平均進水濃度為59.43 mg ·L-1. 運行期間,由于轉子流量計的不穩定,使得反應器內的DO濃度有一定的波動,因此導致了出水NH4+-N濃度及其去除率稍微有一些波動,整個反應器運行期間,出水NH4+-N濃度最高達7.21 mg ·L-1,但其平均出水濃度為2.83 mg ·L-1,平均去除率為95.21%. 同時,反應器運行過程中,出水NO3--N、 NO2--N的積累情況見圖 2(c). 雖然實驗過程中,由于轉子流量計的不穩定,導致反應器內曝氣量的略有波動,使得出水NO3--N和NO2--N的濃度有一些小的變化,但通過及時對流量計進行微調,控制反應器內DO濃度的穩定,整個反應器運行期間,反應器出水NO3--N和NO2--N的濃度不高,平均濃度分別為3.48mg ·L-1和3.24mg ·L-1. 反應器對污水中的TN和TP的去除效果呈逐步穩定趨勢[圖 2(d)和圖 2(e)]. 反應器平均進水TN濃度為60.12 mg ·L-1,平均出水濃度為13.26mg ·L-1,平均去除率為77.05% [圖 2(d)]. 而進水TP濃度在2.03-3.62 mg ·L-1內波動,平均進水濃度為2.98 mg ·L-1,但出水一直保持穩定. 運行過程中,曝氣量的波動對反應器內的除磷菌的活性沒有影響,因此反應器內的除磷效果始終保持在較為穩定的狀態,TP最高出水濃度為0.44 mg ·L-1,平均出水濃度為0.26 mg ·L-1,平均去除率為91.11% [圖 2(e)]. 本實驗的研究表明,對于AGS-SBR同步脫氮除磷工藝來講,在工程應用上要嚴格控制曝氣量,使DO濃度在0.5-1.0mg ·L-1之間,可保證反應器內微生物對氮素和TP的最高去除能力. AGS-SBR系統內,好氧顆粒污泥自身的特殊結構,以及低DO的運行方式,使得反應器內同時存在著好氧菌和厭氧菌,為TN和TP的去除起到了良好的促進作用.

圖 2 AGS-SBR反應器對COD、 氨氮、 TN和TP的去除情況及出水NO3--N和NO2--N的變化
2.2 AGS-SBR污泥性能變化分析
AGS-SBR反應器內MLSS及污泥體積指數(SVI)的變化如圖 3所示. 反應器啟動初期接種的好氧顆粒污泥MLSS和SVI分別為3.02 g ·L-1和49.52 mL ·g-1,在以后穩定運行的180d里,污泥的MLSS和SVI值雖有一定的波動,但是變化不是很明顯,其MLSS和SVI值平均分別為3.24 g ·L-1和41.32 mL ·g-1,較反應器啟動初期接種的好氧顆粒污泥,反應器污泥濃度MLSS略有增加,而SVI值略有減少. 表明反應器運行整個期間,AGS-SBR系統內的好氧顆粒污泥沉降性能一直很好,表現出良好的穩定性. 同時,對第0、 40、 60、 100、 140和180 d的反應器中好氧顆粒污泥形態進行觀察,如圖 4所示. 顆粒污泥在整個運行期間,其外觀沒有明顯變化,6個不同運行時間的顆粒污泥均呈現出外形規則、 邊緣較平整,顆粒結構緊密等特征,并沒有出現明顯的顆粒污泥解體的現象. de Kreuk等[14]曾報道當DO小于3.0-4.0 mg ·L-1,能引起顆粒污泥的解體. 和以前的研究報道相比[15],本實驗中,低DO條件下,AGS-SBR系統表現出良好的脫氮除磷及顆粒污泥穩定性. 原因在于,本研究反應器進水屬于低基質生活污水,有利于生長速率較慢的硝化細菌、 聚磷菌PAOs的富集[16],從而導致顆粒污泥生長速率變慢,MLSS增長較低. 本實驗中,即使是在較低DO下(0.5-1.0mg ·L-1),AGS-SBR系統中好氧顆粒污泥運行180 d后仍然保持良好的完整性和沉降性能. 同時,本研究中,處理低碳氮比生活污水的AGS-SBR系統所需要的DO濃度比其他的AGS-SBR污水處理系統大約低60%~70%[17]. 可見,AGS-SBR是一種低能耗、 無需外加碳源、 高效處理低COD/N比生活污水的脫氮除磷工藝.

圖 3 運行階段反應器中顆粒污泥MLSS與SVI的變化情況

圖 4 運行階段顆粒污泥的形態變化
2.3 AGS-SBR的主要菌群
本研究中,AGS-SBR系統對污水TN 和 TP的平均去除率分別達到77.05%和91.11%,污水處理系統表現出的除污性能主要和系統內優勢微生物菌群的構成密切相關. 為了進一步深入了解低DO下,好氧顆粒污泥工藝表現出良好的脫氮除磷效果的微生物學機理,因此對AGS-SBR反應器內穩定期間的微生物菌群進行解析. AGS-SBR系統中好氧顆粒污泥中的細菌種群構成如圖 5所示(門水平). 污泥的主要菌群為:變形菌門(Proteobacteria,相對豐度為66.91%)、 厚壁菌門(Firmicutes,相對豐度為21.64%)、 綠菌門(Chlorobi,相對豐度為2.65%)、 綠彎菌門(Chloroflexi,相對豐度為2.09%)、 擬桿菌門(Bacteroidetes,相對豐度為1.85%)、 放線菌門(Actinobacteria,相對豐度為0.7%)和浮霉菌門(Planctomycetes,相對豐度為0.13%). 其中變形菌門菌群所占比重最大,其次是厚壁菌門(Firmicutes),再者是綠菌門(Chlorobi)、 綠彎菌門(Chloroflexi)和擬桿菌門(Bacteroidetes)等. 同時,表 1列出了反應器穩定運行期顆粒污泥樣品屬水平上,被鑒定出的氨氧化菌(AOB)、 亞硝酸氧化菌(NOB)、 反硝化菌和除磷菌.

圖 5 污泥樣品微生物菌群的相對豐度(門水平)

表 1 屬水平上,被鑒定出的氨氧化菌(AOB)、 亞硝酸氧化菌(NOB)、 反硝化菌和除磷菌及其豐度
2.4 AGS-SBR脫氮除磷機制討論
有研究報道,變形菌門菌群(Proteobacteria)是城鎮污水處理廠活性污泥系統和廢水生物反應系統的主要種群,包含多種代謝種類,在降解有機物的同時完成脫氮除磷的功能[18]. 厚壁菌門(Firmicutes)中的芽孢桿菌綱(Clostridia)可能與COD及難以分解的大分子有機物的降解有關[19]. 綠彎菌門(Chloroflexi)常存在于污泥菌膠團絮狀體內部,并以絮體骨架的形式存在,這為好氧顆粒污泥的結構提供了骨架支撐[20]. Kragelund等[21]在對活性污泥中綠彎菌門(Chloroflexi)的種類、 豐度和生態生理學的研究中也發現,綠彎菌門(Chloroflexi)具有較好的生物除磷作用. Hill等[22]發現擬桿菌門(Bacteroidetes)具有非常強的營養物質代謝能力,如復雜有機物、 蛋白質和脂類等. Li等[23]在污水處理系統剩余污泥減量化及微生物菌群演變的研究中發現,擬桿菌門(Bacteroidetes)具有水解污泥絮體的作用. 本研究中,上述生物種群構成了AGS-SBR系統好氧顆粒污泥的主要生物種群,它們對廢水中的COD、 氨氮、 TN和TP的去除起著重要作用,這和反應器表現出良好的同步脫氮除磷性能密切相關. 另外,本研究中,顆粒污泥樣品中也檢測到了少量的浮霉菌門(Planctomycetes). 在浮霉菌門(Planctomycetes)存有一些菌屬具有厭氧氨氧化功能[24],但環境中仍存在未鑒定的新菌種. 該類菌群能在厭氧的條件下,以NH4+-N、 NO2--N分別為電子供體和受體,反應生成氣態氮,從而達到生物脫氮的目的. 本實驗中,由于進水COD/N比較低,并且反應器在較低DO條件下運行,檢測出來的浮霉菌門(Planctomycetes)種群中有可能存在著厭氧氨氧化功能的菌群.
再者,通過對反應器內主要脫氮除磷功能菌群的分析(表 1)可以看出,顆粒污泥樣品中梭菌屬(Clostridium)相對豐度最高,高達21.24%. 曾有文獻報道,Clostridium是一類具有反硝化除磷功能的菌群[25]. 黃榮新等[26]在SBR反應器中進行反硝化聚磷菌(DPB)強化富集,也分離得到了高效反硝化除磷菌屬Clostridium. 這類反硝化聚磷菌(DPB),可以在缺氧環境下以NOx-為電子受體,利用內碳源,通過“一碳兩用”方式實現反硝化脫氮的同時過量聚磷. 目前報道最多的聚磷菌(PAOs)按其菌屬可劃分為不動桿菌屬(Acinetobacter)、 氣單胞菌屬(Aeromonas)、 棒桿菌屬 (Corynebacterium)、 腸球菌屬 (Enterococcus)等[27]. 但是本實驗結果中并沒有監測出已經報道的這四類聚磷菌. 而是檢測出具有反硝化除磷功能的一類菌群梭菌屬(Clostridium). 同時,反應器中存在厭氧繩菌屬(Anaerolinea)細菌,屬于綠彎菌門(Chloroflexi)中的一類,是和除磷性能有關的一類菌群[21].
同時,AGS-SBR反應器內存在著多種與脫氮有關的菌群. Denitratisoma是紅環菌科(Rhodocyclaceae)的一個新屬,是Fahrbach等[28]從城市污水處理廠的活性污泥中分離得到的,是一類新型的具有好氧反硝化能力的菌群,能直接將亞硝態氮轉化為氣態氮[8]; 陶厄氏菌屬(Thauera)是近年來才被定義的一個屬,廣泛分布于污水處理系統中,在污水處理系統、 污泥和土壤環境中生長良好[29],大都為桿狀且具有好氧反硝化能力[30]. 此外,反應系統中存在少量的毛球菌屬(Comamonas)和亞硝化單胞菌屬(Nitrosomonas),這些菌群是和好氧反硝化能力有關的脫氮菌群[31]. 由于AGS-SBR系統長期在低DO條件下進行,反應器中存在著好氧、 缺氧和厭氧的微環境,反應器內可能存在自養反硝化、 好氧反硝化、 厭氧氨氧化等多種脫氮途徑. 但從表 1可知,Denitratisoma的相對豐度較高,表明反應器內以好氧反硝化為主的方式進行脫氮; 而氨氧化菌(AOB)、 亞硝酸氧化菌(NOB)和Planctomycetaceae等含量較低,說明反應器中存在自養反硝化、 短程脫氮、 厭氧氨氧化等多種脫氮途徑,但不在反應器中占據主導地位. 綜上,從實驗結果分析初步判斷,低DO條件,AGS-SBR反應器中Clostridium、 Anaerolinea 和Denitratisoma相對豐度較高,導致了反應系統具有良好的脫氮除磷性能.具體參見污水寶商城資料或http://m.bnynw.com更多相關技術文檔。
3 結論
(1)在反應器運行的180 d里,AGS-SBR系統表現出了良好的穩定運行特征,對COD、 NH4+-N、 TN和TP的平均去除率分別為87.17%、 95.21%、 77.05% 和91.11%,平均出水濃度穩定在29.08、 2.83、 13.26和0.26mg ·L-1; NO--N和NO3--N的平均積累量分別為3.48mg ·L-1和3.24mg ·L-1.
(2) AGS-SBR反應器運行期間,系統平均污泥濃度MLSS為3.24 g ·L-1,SVI值平均為41.32 mL ·g-1,好氧顆粒污泥始終保持著完整的外觀和密實緊湊的結構,并沒有出現明顯的顆粒污泥解體的現象. AGS-SBR系統是一種低能耗、 無需外加碳源、 高效處理低COD/N比生活污水的脫氮除磷工藝.
(3) 高通量測序結果表明,變形菌門(Proteobacteria)、 厚壁菌門(Firmicutes)、 綠菌門(Chlorobi)、 綠彎菌門(Chloroflexi)和擬桿菌門(Bacteroidetes)為SBR-AGS反應器中主要優勢菌群. 好氧顆粒污泥中,Denitratisoma、 Planctomycetaceae、 Thauera、 Comamonas、 Nitrosomonas和Nitrospira是反應器中與脫氮有關菌群,而Clostridium和 Anaerolinea 是和除磷相關的菌群.


