隨著經濟的快速發展,目前化工企業正朝著園區化的特點發展,江蘇全省共有56家化工集中區. 化工園區廢水經過企業一級預處理后,主要呈現有機物種類復雜、 可生化性差、 水質及水量波動大、 具有一定生物毒性等特點,為二級廢水廠的設計及運行帶來極大的難度[1, 2, 3]. 研究顯示,生物膜法具有對低濃度廢水適應性較好、 耐沖擊負荷等優點[4,5],近年來在新建廢水廠被廣泛運用[6,7],曝氣生物濾池也是近年來水處理領域研究的重點[8, 9, 10, 11, 12]. 本實驗采用AF+BAF組合工藝處理樹脂化工集中區廢水廠尾水,重點考察進水濃度、 水力停留時間、 溫度等因素對系統的影響,研究二級厭氧池的污泥中微生物的變化情況.
1 材料與方法
1.1 實驗水樣
實驗所用廢水為江蘇宜興某廢水處理廠二沉池出水. 該廢水處理廠主要收集處理集團公司內部31家企業所生產的廢水,集團公司主要以生產合成樹脂系列、 光固化樹脂及單體、 環氧樹脂、 飽和及不飽和樹脂、 溶劑系列等產品為主.
該廢水處理廠主體采用生化處理工藝,具體處理工藝如圖 1所示. 對二沉池出水進行常規水質分析,檢測結果如表 1所示. 廢水各項指標雖均達到《污水綜合排放標準》(GB 8978-1996)中的三級接管標準,但由于其可生化性差,增加了二級廢水處理廠的處理難度.
圖 1 宜興某樹脂化工集中區廢水廠廢水處理工藝流程

表 1 二沉池出水常規水質指標
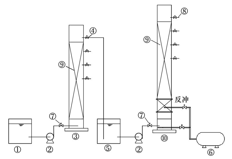
1.2 實驗裝置和方法
實驗工藝流程如圖 2所示. 實驗在室溫(25±2)℃下進行. AF柱高度2 200 mm,BAF柱高度2 500 mm,直徑200 mm,有機玻璃材質. 塔內填料為多孔性、 高比表面積的陶粒,粒徑為3~4 mm,濾料高1 500 mm.

圖 2 厭氧濾池+曝氣生物濾池工藝流程示意
采用該廢水處理廠厭氧池和二沉池的污泥進行接種,引入二沉池廢水,啟動初期用清水稀釋2倍,并投加營養物質葡萄糖,厭氧濾池停留時間分別控制在24 h和12 h,曝氣生物濾池停留時間控制在12 h. 每天監測出水水質,并逐步降低稀釋倍數,減少葡萄糖投加量. 待出水水質趨于穩定,對濾料表面生物膜進行鏡檢,發現有大量菌膠團附著,且生物膜上出現原生動物,此時認定生物膜培養完成.
考察不同停留時間下,AF+BAF對有機物的去除; 提高進水COD濃度,觀察AF+BAF工藝的抗沖擊負荷能力; 觀察AF+BAF系統處理效率隨溫度的變化趨勢; 對廢水處理廠USAB池以及小試裝置的厭氧濾池和曝氣生物濾池污泥進行菌落分析.
1.3 分析方法
COD、 BOD5、 NH+4-N和色度等指標的測定均采用標準方法[13]; pH采用酸度計(pHB-2,上海雷磁儀器廠)測定; 濁度采用便攜式濁度儀(2100P,HACH)測定.
三維熒光激發-發射光譜(3DEEMs)的測定在Hitachi F-4500型熒光分光光度計上完成. 使用150W氙弧燈作激發光源,帶通(band pass):Ex=5 nm,Em=5 nm. 掃描速度2 400 nm ·min-1.
采用氣質聯用儀(GC-MS)分析廢水中的有機物,首先對廢水中有機物進行萃取,參照美國環境保護署(EPA)對工業廢水的取樣和分析步驟[14, 15, 16, 17]. 分析儀器為Agilent-5975氣相-質譜聯用儀,GC柱選用DB-5(30 m×0.25 mm×0.25 μm),氣化溫度:280℃,檢測器選用氫火焰檢測器(FID),進樣量1 μL,分流比100 ∶1.
采用分子生物學技術聚合鏈式反應-變性梯度凝膠電泳(polymerase chain reaction-denaturing gradient gel electrophoresis,PCR-DGGE)的方法分析UASB厭氧池、 厭氧濾池和曝氣生物濾池3個樣品的菌落變化[18,19]. 分析儀器為Fastprep 24核酸提取儀(MP)、 DCode變性梯度凝膠電泳(Bio-Rad)、 Gel Doc XR+凝膠成像系統(Bio-Rad)、 PCRS1000 96孔(Bio-Rad).
2 結果與分析
2.1 處理效果分析
2.1.1 AF+BAF啟動和運行
啟動時,將二沉池出水稀釋一半后再進入反應器,連續運行,馴化過程中額外添加葡萄糖. 運行過程中逐漸降低稀釋水量,減少葡萄糖投加量. 經過約20 d的運行,厭氧濾池和曝氣生物濾池初步掛膜成功,25 d后進水全為二沉池出水,停止投加葡萄糖. 經過35 d的運行,系統出水趨于穩定,反應器啟動成功,結果如圖 3所示.

圖 3 AF+BAF啟動期間對COD和NH+4-N的去除效果
由圖 3(a)可以看出,濾池啟動階段,COD去除率增加也較為明顯,此時降解的COD大多數為葡萄糖. 運行約35 d后出水COD趨于穩定,當進水COD在240 mg ·L-1左右時,出水可控制在60~65 mg ·L-1. 在進水COD在200~300 mg ·L-1之間波動時,厭氧濾池的出水相應發生一定程度的波動,但最終曝氣生物濾池的出水穩定在60~70 mg ·L-1之間,表明系統具有較強的耐沖擊負荷能力,有機物在厭氧階段得到轉化,廢水可生化性大幅提升. 由圖 3(b)可以看出,NH+4-N去除率隨運行時間的延長逐漸增加,運行至25 d時,NH+4-N的去除率升至84%以上. 在實驗期間,系統對氨氮的去除效率穩定保持在84%以上,最高可達92.8%,出水氨氮維持在1.0~2.0 mg ·L-1之間.
2.1.2 停留時間對去除效果的影響
厭氧濾池和曝氣生物濾池水力停留時間對COD和NH+4-N的去除率見表 2所示. 在系統穩定運行過程中,改變厭氧濾池的停留時間對系統最終出水COD影響較大. 保持BAF水力停留時間為12 h的前提下,AF停留時間從24 h下降至12 h時,系統對COD的去除效率從73.4%下降至56.5%. 由此可見,延長厭氧停留時間可以有效提高廢水的可生化性,提高系統的處理效率.

表 2 不同HRT下COD和NH+4-N的去除效果
保持AF水力停留時間為24 h不變,BAF停留時間從12 h逐漸下降至3.2 h時,系統對COD的去處效率呈下降趨勢,但去除效率下降緩慢,在水力停留時間下降至3.2 h,去除效率也能保持在54.9%. 表明BAF反應器通過載體能將大量好氧微生物固定,使活性污泥在反應器內有足夠的停留時間,反應器內持有較高濃度的活性污泥,微生物和廢水能充分接觸,從而有效提高了反應器處理廢水和抵抗負荷沖擊的能力. 改變系統的停留時間對氨氮的去除效率影響不大,當BAF停留時間下降至3.2 h,氨氮去除效率仍能達到84.9%.
2.1.3 溫度對去除效果的影響
對于廢水的生物處理過程,溫度是一個非常重要的影響因素,它直接影響微生物的活性. 如圖 4所示,當溫度維持在25℃以上時,系統對COD的去除效率可保持在74%以上. 隨著溫度的降低,COD的去除效率雖有所下降,但下降幅度不大,當溫度下降至5℃時,COD的去除效率為65.4%. 由此可見,AF+BAF工藝對溫度的變化具有較強的適應能力,即使在冬季條件下運行,系統對COD的去除仍可保持較高的效率. 溫度變化對氨氮的影響較為明顯,當溫度從35℃下降至5℃時,氨氮的去除效率從91.2%下降至62.4%,這與硝化細菌在低溫下活性下降有關.

圖 4 溫度對COD和NH+4-N的影響
2.2 進出水有機污染物GC-MS分析
AF+BAF進出水所含有機物在GC-MS測試中的總離子流譜圖如圖 5所示,系統進出水檢測出有機物的數據庫分析結果見表 3.

圖 5 各處理工段出水中有機物的總離子流圖

表 3 系統進出水中的有機物1)
由表 3可知: GC-MS檢測出雙酚A、 苯酚等,其均為環氧樹脂生產過程中所用的原輔料; 檢測出的甲苯、 二甲苯、 四氯乙烷,均為有機溶劑,而且相對含量較大; 檢測出大量飽和烷烴,主要來源于氯化石蠟和二聚酸生產過程中; 檢測出月桂酸、 甲癸醚等物質,為微生物代謝產物.
由圖 5可以看出,廢水經過厭氧濾池和曝氣生物濾池后,可檢測出的典型有機物相比原水中少了一些,與水質的常規分析也相呼應,說明AF+BAF工藝對有機物的去除具有一定的效果. 出水中檢測不出甲苯、 烯烴等物質; 小分子醇類、 酯類物質降解效果較為明顯; 溶劑除四氯乙烷外,二甲苯等均可有效降解; 胺類物質的降解表明厭氧濾池效率較高,有機氮在厭氧段轉化為氨氮; 酚類物質去除效果不如醇類. 同時檢測出新的物質三聚甲醛等. 曝氣生物濾池出水中未知峰數目增多,質譜圖顯示相對分子質量在150~300之間,可能在微生物的作用下,有機物轉變成小分子物質.
但是,系統對大分子含氮雜環類物質的降解效果不佳,出水中能夠檢測出,其濃度無明顯下降,飽和烷烴也無法得到有效降解.
2.3 進出水有機污染物三維熒光分析
廢水在處理過程中,微生物會代謝合成多種有機物,如色氨酸、 輔酶、 腐殖酸等[20],這些物質的種類和數量與廢水廠的運行狀態有著密切聯系. 這些物質在激發光的作用下,會產生出特征的發射光,在熒光光譜圖上出現特征峰[21,22].
取二沉池尾水和AF+BAF的生化出水,稀釋5倍后進行三維熒光掃描,熒光峰類型與其他文獻的對比結果見表 4. 從圖 6可見,有機物降解效果明顯. 原水中可溶性微生物代謝產物(SMP)主要有3類:可見腐殖質類A(λEx/λEm為340 nm/420 nm)、 類富里酸B(λEx/λEm為250 nm/380 nm)、 UV腐殖質類C(λEx/λEm為220 nm/405 nm). 處理后其特征熒光基團熒光強度均有大幅下降,其中物質B和物質C的特征熒光峰完全消失,物質A的特征熒光峰雖然存在,但其熒光強度由原來的595.15降低至464.08. 可見AF+BAF工藝對原水中的類富里酸和UV腐殖質類可以完全去除,并能降解部分可見腐殖質類物質.

表 4 水樣熒光組分特征

圖 6 生化處理前后水樣的三維熒光光譜
2.4 各處理單元污泥的菌落變化分析
由圖 7可以看出,厭氧濾池污泥樣品比原廢水廠UASB池污泥樣品條帶多,其微生物多樣性復雜. 進水水質的差異能影響厭氧污泥中微生物的種群結構. 通過DGGE圖譜可以半定量分析圖譜中不同細菌種群的相對含量[27]. 厭氧濾池中菌群的相對種類有明顯增加(條帶2、 7、 8、 9),有一些菌群(條帶1、 3、 4、 5、 6)的量無明顯變化. 曝氣生物濾池中主要為好氧微生物,與厭氧濾池的菌種存在本質差別.

圖 7 UASB池、 厭氧濾池和曝氣生物濾池污泥DGGE圖譜
二級厭氧可以有效穩定進水水質的變化,特別是水質變化引起的COD波動現象,通過二級厭氧的調節進一步調控微生物菌種的組成,使一些菌種成為優勢菌,通過細菌及其代謝產物的協同作用能有效控制COD,保障水質的穩定性. 當進水COD在200~300 mg ·L-1之間波動時,曝氣生物濾池的最終出水COD穩定在60 mg ·L-1左右. 因此,作為二級廢水處理廠,特別是化工園區廢水廠,好氧段前端設置厭氧處理工藝,既可以去除廢水中的有機污染物,又可以控制住進水水質,提高廢水可生化性,增加系統抗沖擊負荷能力.具體參見污水寶商城資料或http://m.bnynw.com更多相關技術文檔。
3 結論
(1)采用厭氧濾池+曝氣生物濾池組合工藝對工業園區廢水廠二沉池出水有較好的處理效果,厭氧濾池的水力停留時間是影響處理效果的關鍵因素,溫度的變化對COD的去除效率影響不大,在最優條件下COD去除率可達73.4%. NH+4-N去除率受水力停留時間影響較小,但溫度對其影響較大,隨著溫度的變化,NH+4-N的去除率從91.2%下降至62.4%.
(2)化工園區廢水處理出水的GC-MS測試中檢測出大量有機物,經AF+BAF處理后出水可檢測出的典型有機物種類大幅減少. 廢水中的大分子飽和烷烴和含氮雜環類物質去除效率不佳.
(3)采用三維熒光技術對AF+BAF系統進出水進行分析,二沉池出水中含有腐殖質類、 類富里酸和UV腐殖質類微生物代謝產物,經AF+BAF系統處理后,微生物代謝產物可被吸收降解,其中類富里酸和UV腐殖質類降解效果明顯.
(4) 通過對廢水廠UASB池和小試研究中的厭氧濾池污泥菌落變化分析得出,厭氧濾池中的微生物多樣性更為復雜,進水水質直接影響厭氧污泥中微生物的種群結構. 針對化工園區一級生化出水,再次采用厭氧工藝仍具有明顯的效果,二級厭氧可以有效穩定進水水質的變化,特別是水質變化引起的COD波動現象,使生化系統的處理效率得到保障.(來源及作者:江蘇省環境科學研究院, 江蘇省環境工程重點實驗室 涂勇、劉偉京、張耀輝、徐軍、唐敏、陳勇)


