公布日:2023.10.27
申請日:2023.09.21
分類號:C02F1/16(2023.01)I;C02F1/12(2023.01)I;C02F1/00(2023.01)I
摘要
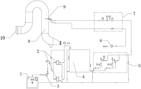
本發明適用于廢水處理設備技術領域,提供了一種煙氣蒸發廢水處理系統,包括:廢水預處理模塊,其內部設有廢水池和廢水儲罐,廢水儲罐和廢水池之間設有過濾器;廢水輸送模塊,其設置于廢水儲罐的后端,其內部設有對廢水進行輸送的廢水提升泵,廢水輸送模塊的出口設有噴頭;排煙蒸發管,其進口與鍋爐的出氣口連接;控制噴頭的流量的控制模塊,其包括對輸送模塊內部的廢水進行PH值檢測的PH值傳感器和對排煙蒸發管內的溫度進行檢測的溫度傳感器,借此,本發明通過檢測煙氣蒸發系統中的廢水的含鹽量、溫度,根據檢測的參數進行廢水噴射流量的修正和霧化程度的修訂,提高了廢水處理的效率,同時減少廢水處理時的成本。

權利要求書
1.一種煙氣蒸發廢水處理系統,其特征在于,包括:廢水預處理模塊,其內部設有廢水池和廢水儲罐,所述廢水儲罐和廢水池之間設有過濾器;廢水輸送模塊,其設置于所述廢水儲罐的后端,其內部設有對所述廢水進行輸送的廢水提升泵,所述廢水輸送模塊的出口設有噴頭;排煙蒸發管,其進口與鍋爐的出氣口連接,所述噴頭插設于所述排煙蒸發管的內部;控制所述噴頭的流量和霧化狀態的控制模塊,其包括對輸送模塊內部的廢水進行PH值檢測的PH值傳感器和對所述排煙蒸發管內的溫度進行檢測的溫度傳感器;所述溫度傳感器設置于所述排煙蒸發管靠近噴頭的位置,所述溫度傳感器用于采集排煙蒸發管內溫度T1,所述排煙蒸發管的出口的底部設有顆粒出口,所述PH值傳感器設置于所述廢水輸送模塊和噴頭之間,用于檢測廢水的PH值H1,所述控制模塊通過判斷溫度T1和廢水的PH值H1的變化值,控制所述噴頭的噴射量和霧化程度;煙氣蒸發廢水處理系統還包括壓縮空氣供給模塊,其包括設置于所述壓縮空氣供給模塊出口的霧化口,所述霧化口與所述噴頭的位置對應設置,所述霧化口與所述噴頭配合對所述噴頭的霧化程度進行控制,所述控制模塊通過控制噴頭的流量和霧化口的流量控制所述廢水的供給狀態,所述控制模塊在控制時,變量的判斷優先權從高到低依次為溫度T1和廢水的PH值H1,所述控制模塊包括對廢水流量進行控制的廢水控制閥和對所述壓縮空氣壓力進行控制的壓力控制閥,通過人為操作控制模塊設置初始噴射溫度值T0、最大噴射溫度T2、廢水PH值的最小值H0、廢水PH值的最大值H2、壓縮空氣最大壓力值P2和最小壓力值P0,最大溫度差值δT=T2-T1,控制模塊檢測溫度T1,并得到δt=T1-T0,當δT≥δt>0時,控制模塊控制噴頭和霧化口開始將廢水噴入到排煙蒸發管;當δt≤0或者δt>δT時,所述控制模塊控制所述噴頭和霧化口停止噴射廢水;當δT≥δt>0時,噴頭和霧化口開始噴射廢水和空氣,得到修正系數Kt=δt/δT,所述控制模塊控制噴水控制閥打開,噴水控制閥的打開開度為Kt,對應廢水流量為lt,壓力控制閥打開,壓力控制閥控制空氣壓力為Pt=lt/3.16k,此時處于初始霧化狀態,其中k為對應噴頭的流量系數:所述控制模塊收集所述廢水的PH值H1,并計算得到δH=H1-H0,通過判斷δH的數值變化,控制壓縮空氣的壓力Pt;所述控制模塊通過判斷δH的數值,控制壓縮空氣的壓力:當δH≤0時,此時的廢水中亞硫酸鹽的含量最大,壓縮空氣處于最大壓力值Pt=P2狀態;當(H2-H0)≥δH>0時,得到空氣壓力修正系數Kp=δH/(H2-H0),此時的Pt=lt/3.16Kpk,此時當出現Pt≥P2時,取Pt=P2;當Pt≤P0時,取Pt=P0;當δH>(H2-H0)時,此時的廢水中亞硫酸鹽的含量最小,壓縮空氣處于最小壓力值Pt=P0狀態。
2.根據權利要求1所述的煙氣蒸發廢水處理系統,其特征在于,所述初始噴射溫度值T0=120℃,最大噴射溫度T2=140℃,所述壓縮空氣最大壓力值P2=0.6MPa,最小壓力值P0=0.2MPa。
3.根據權利要求1或2所述的煙氣蒸發廢水處理系統,其特征在于,所述過濾器具有反沖洗功能,所述過濾器和廢水池之間設有廢水提升泵,所述廢水輸送模塊設有回水管,所述回水管的出水端與所述廢水連通,所述排煙蒸發管的出氣口連接有收集布袋。
發明內容
針對上述的缺陷,本發明的目的在于提供一種煙氣蒸發廢水處理系統,其可以通過檢測煙氣蒸發系統中的廢水的含鹽量和溫度,根據檢測的參數進行廢水噴射流量的修正和霧化程度的修訂,提高了廢水處理的效率,同時減少廢水處理時的成本。
為了實現上述目的,本發明提供一種煙氣蒸發廢水處理系統,包括:廢水預處理模塊,其內部設有廢水池和廢水儲罐,所述廢水儲罐和廢水池之間設有過濾器;廢水輸送模塊,其設置于所述廢水儲罐的后端,其內部設有對所述廢水進行輸送的廢水提升泵,所述廢水輸送模塊的出口設有噴頭;排煙蒸發管,其進口與鍋爐的出氣口連接,所述噴頭插設于所述排煙蒸發管的內部;控制所述噴頭的流量和霧化狀態的控制模塊,其包括對輸送模塊內部的廢水進行PH值檢測的PH值傳感器和對所述排煙蒸發管內的溫度進行檢測的溫度傳感器。
根據本發明的煙氣蒸發廢水處理系統,所述溫度傳感器設置于所述排煙蒸發管靠近噴頭的位置,所述溫度傳感器用于采集排煙蒸發管內溫度T1,所述排煙蒸發管的出口的底部設有顆粒出口,所述PH值傳感器設置于所述廢水輸送模塊和噴頭之間,用于檢測廢水的PH值H1,所述控制模塊通過判斷溫度T1和廢水的PH值H1的變化值,控制所述噴頭的噴射量和霧化程度。
根據本發明的煙氣蒸發廢水處理系統,還包括壓縮空氣供給模塊,其包括設置于所述壓縮空氣供給模塊出口的霧化口,所述霧化口與所述噴頭的位置對應設置,所述霧化口與所述噴頭配合對所述噴頭的霧化程度進行控制,所述控制模塊通過控制噴頭的流量和霧化口的流量控制所述廢水的供給狀態。
根據本發明的煙氣蒸發廢水處理系統,所述控制模塊在控制時,變量的判斷優先權從高到低依次為溫度T1和廢水的PH值H1,所述控制模塊包括對廢水流量進行控制的廢水控制閥和對所述壓縮空氣壓力進行控制的壓力控制閥。
根據本發明的煙氣蒸發廢水處理系統,通過人為操作控制模塊設置初始噴射溫度值T0、最大噴射溫度T2、廢水PH值的最小值H0、廢水PH值的最大值H2、壓縮空氣最大壓力值P2和最小壓力值P0,最大溫度差值δT=T2-T1,控制模塊檢測溫度T1,并得到δt=T1-T0,當δT≥δt>0時,控制模塊控制噴頭和霧化口開始將廢水噴入到排煙蒸發管;當δt≤0或者δt>δT時,所述控制模塊控制所述噴頭和霧化口停止噴射廢水。
根據本發明的煙氣蒸發廢水處理系統,當δT≥δt>0時,噴頭和霧化口開始噴射廢水和空氣,得到修正系數Kt=δt/δT,所述控制模塊控制噴水控制閥打開,噴水控制閥的打開開度為Kt,對應廢水流量為lt,壓力控制閥打開,壓力控制閥控制空氣壓力為Pt=lt/3.16k,此時處于初始霧化狀態,其中k為對應噴頭的流量系數:
所述控制模塊收集所述廢水的PH值H1,并計算得到δH=H1-H0,通過判斷δH的數值變化,控制壓縮空氣的壓力Pt。
根據本發明的煙氣蒸發廢水處理系統,所述控制模塊通過判斷δH的數值,控制壓縮空氣的壓力:
當δH≤0時,此時的廢水中亞硫酸鹽的含量最大,壓縮空氣處于最大壓力值Pt=P2狀態;當(H2-H0)≥δH>0時,得到空氣壓力修正系數Kp=δH/(H2-H0),此時的Pt=lt/3.16Kpk,此時當出現Pt≥P2時,取Pt=P2;當Pt≤P0時,取Pt=P0;當δH>(H2-H0)時,此時的廢水中亞硫酸鹽的含量最小,壓縮空氣處于最小壓力值Pt=P0狀態。
根據本發明的煙氣蒸發廢水處理系統,所述初始噴射溫度值T0=120℃,最大噴射溫度T2=140℃,所述壓縮空氣最大壓力值P2=0.6MPa,最小壓力值P0=0.2MPa。
根據本發明的煙氣蒸發廢水處理系統,所述過濾器具有反沖洗功能,所述過濾器和廢水池之間設有廢水提升泵,所述廢水輸送模塊設有回水管,所述回水管的出水端與所述廢水連通,所述排煙蒸發管的出氣口連接有收集布袋。
本發明提供了一種煙氣蒸發廢水處理系統,包括:廢水預處理模塊,其內部設有廢水池和廢水儲罐,所述廢水儲罐和廢水池之間設有過濾器,通過過濾器對廢水池內部的廢水進行初步的過濾,防止進入到廢水儲罐內部的廢水攜帶固體殘渣,保證后續對廢水進行噴射霧化,防止固體殘渣對噴頭造成堵塞;廢水輸送模塊,其設置于所述廢水儲罐的后端,其內部設有對所述廢水進行輸送的廢水提升泵,保證將廢水從廢水池內提升到廢水儲罐的內部,所述廢水輸送模塊的出口設有噴頭,通過噴頭對廢水進行噴射霧化,保證廢水在進入到排煙蒸發管的內部后,經過排煙的余溫對廢水進行蒸發結晶,然后結晶后的顆粒經過排煙蒸發管出口排出;排煙蒸發管,其進口與鍋爐的出氣口連接,所述噴頭插設于所述排煙蒸發管的內部,保證廢水霧化噴射到排煙蒸發管的內部;控制所述噴頭的流量和霧化狀態的控制模塊,其包括對輸送模塊內部的廢水進行PH值檢測的PH值傳感器和對所述排煙蒸發管內的溫度進行檢測的溫度傳感器,通過檢測排煙蒸發管的內部的溫度和廢水的PH值對噴水的流量和霧化程度進行控制,防止出現在鍋爐負荷較低時或者反應器進口溫度較低時,廢水蒸發不足造成煙氣含水量過大,同時防止溫度過高,導致廢水蒸發較快,結晶體聚集到一起,無法從排煙管的出口排出,綜上,本發明產生的技術效果是通過檢測煙氣蒸發系統中的廢水的含鹽量、溫度,根據檢測的參數進行廢水噴射流量的修正和霧化程度的修訂,提高了廢水處理的效率,同時減少廢水處理時的成本。
(發明人:牟彩秀;劉軍偉;夏順堂;譚雯;王靜)






