申請日2015.07.23
公開(公告)日2016.02.17
IPC分類號C02F9/02
摘要
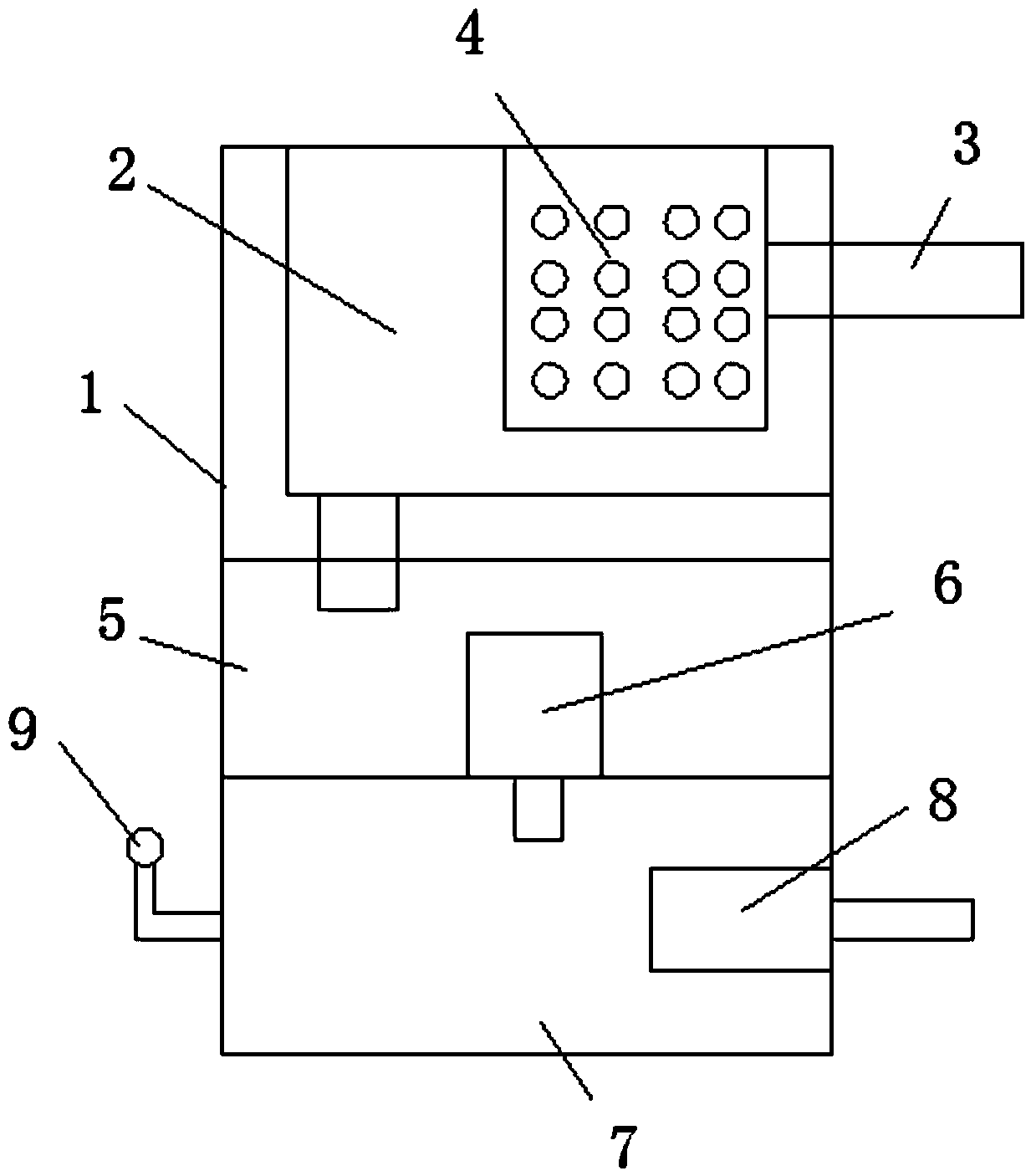
本實用新型公開了一種鋁箔加工車間用污水處理裝置,包括殼體,其特征在于:所述殼體上端設有上水箱,所述上水箱的側壁上設有進水管,所述進水管的端部安裝有過濾網,所述上水箱通過管道連接下方的中水箱。本實用新型體積小,密封性好,安全性高,結構簡單,過濾效率高,能有效去除污水中的油污等其他雜質。
權利要求書
1.一種鋁箔加工車間用污水處理裝置,包括殼體,其特征在于:所述殼體上端設有上水箱,所述上水箱的側壁上設有進水管,所述進水管的端部安裝有過濾網,所述上水箱通過管道連接下方的中水箱,所述中水箱的下方的出水口處設有過濾芯,所述中水箱的下方連通底水箱,所述底水箱的出水口處設有活性炭過濾芯。
2.根據權利要求1所述鋁箔加工車間用污水處理裝置,其特征在于:所述底水箱的側壁上安裝有壓力表。
說明書
鋁箔加工車間用污水處理裝置
技術領域
本實用新型涉及一種污水處理裝置,具體是一種鋁箔加工車間用污水處理裝置。
背景技術
現有技術中,在鋁箔加工企業生產過程中,會產生大量的污水,這些污水需要經過處理才能排放,傳統的污水處理裝置存在,結構復雜,生產制造成本高,不能被廣泛運用。
實用新型內容
本實用新型目的是提供了一種體積小,密封性好,安全性高,結構簡單,過濾效率高,能有效去除污水中的油污等其他雜質的鋁箔加工車間用污水處理裝置。
本實用新型解決技術問題提供如下方案:
一種鋁箔加工車間用污水處理裝置,包括殼體,其特征在于:所述殼體上端設有上水箱,所述上水箱的側壁上設有進水管,所述進水管的端部安裝有過濾網,所述上水箱通過管道連接下方的中水箱,所述中水箱的下方的出水口處設有填充有石英砂和木屑的過濾芯,所述中水箱的下方連通底水箱,所述底水箱的出水口處設有活性炭過濾芯。
所述底水箱的側壁上安裝有壓力表。
本實用新型在殼體上端設有上水箱,在上水箱的端部安裝有過濾網,能有效去掉大的雜質,在上水箱的下方設有中水箱,在中水箱的出水口處設有油污過濾芯,在過濾芯內填充有木屑和石英砂,能快速去掉廢水中的油污,且在底水箱的側壁上設有活性炭,能快速去掉有害成分,同時在壓力的側壁上設有壓力表,防止壓力過大,導致安裝事故。







