新能源汽車與傳統汽車的主要區別在于所使用燃料或能源的不同,但在新能源汽車本身的生產制造過程中同樣會產生一些廢水,如車身工件漆前表面預處理脫脂洗水、磷化沖洗廢水、電泳廢水、面漆廢水、生活污水等。因此新能源汽車生產制造過程中的廢水治理措施必不可少,同時由于新能源汽車動力構造比傳統汽車更為簡潔,產生的水污染也略有不同,本文以某新能源汽車整車工廠污水站項目工程為例,介紹新能源汽車整車廠廢水的處理。
1、項目概況
浙江省紹興市某新能源汽車整車生產基地一期規劃產能年產純電動汽車6萬輛,設計廢水處理站處理水量30t/h。需要處理的廢水包括連續排放廢水和間歇排放廢水。連續排放廢水主要為油漆車間前處理工藝連續排放的脫脂工序清洗廢水、硅烷處理工序清洗廢水、電泳工藝連續排放的電泳清洗廢水、純水站制純水產生的濃水和連續排放的全廠生活污水。間歇排放廢水為油漆車間前處理工藝定期排放的脫脂工序清槽廢液及硅烷處理工序清槽廢液、電泳工藝定期排放的電泳清槽廢液、中面涂噴漆工序定期排放的噴漆廢水、定期排放的總裝車間淋雨線清洗廢水。廢水水質情況如表1所示,廢水中的污染物主要是COD、SS、油、磷酸鹽、部分重金屬等。項目污水站設置出水指標需達到《污水綜合排放標準》(GB8978—1996)中的三級標準,其中氨氮和總磷執行浙江省地方標準《工業企業廢水氮、磷污染物間接排放限值》(DB33/887—2013),處理,要求如表1~表2所示。


2、處理工藝
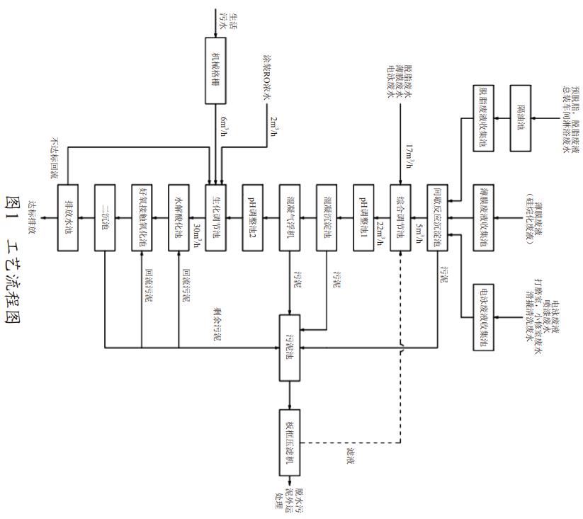
新能源汽車整車廠產生的廢水有多種,水質特性比較復雜,適宜對其進行分質分類收集處理,分別進行預處理后再綜合處理。具體工藝流程如圖1所示。

1)預脫脂和脫脂廢液及總裝車間淋雨廢水含油,一同隔油后收集于脫脂廢液收集池,之后通過間歇反應沉淀池進行混凝沉淀預處理,處理上清液排入綜合調節池,污泥排入污泥池。
2)表面處理采用硅烷化或磷化形成一層薄膜改善工件的表面特性,在本項目中采用的硅烷化工藝,有些產品采用磷化工藝,該工段產生的廢液稱為薄膜廢液,廢水稱為薄膜廢水。本項目中硅烷化廢液收集于薄膜廢液收集池,之后通過間歇反應沉淀池進行中和、混凝和沉淀預處理,去除重金屬和懸浮物,上清液排入綜合調節池,污泥排入污泥池。
3)電泳廢液、噴漆廢水、打磨室與小修室廢水、滑撬清洗廢水等收集于電泳廢液收集池,通過間歇反應沉淀池進行中和、混凝和沉淀預處理,去除懸浮物和重金屬,處理上清液排入綜合調節池,污泥排入污泥池。
4)連續流的脫脂廢水、薄膜廢水、電泳廢水排入綜合調節池,與廢液間接處理后的廢水混合,之后進行pH調整、混凝沉淀、混凝氣浮和pH回調處理,作為生化處理的預處理。處理出水排入生化調節池,污泥排入污泥池。
5)生活污水經過機械格柵后進入生化調節池,RO濃水也排入生化調節池,與物化預處理后的廢水混合,之后經過水解酸化、好氧接觸氧化和二沉池固液分離,出水達標排放,剩余污泥排入污泥池。
6)污泥池污泥通過板框壓濾機脫水處理,濾液排入綜合調節池,脫水污泥外運處理處置。
3、主要處理單元及設備
該廢水處理系統間歇預處理設計處理量為5m3/h,綜合物化預處理設計處理量為22m3/h,生化處理設計處理量為30m3/h,24h連續運行。主要構筑物如表3所示。

3.1 間歇反應沉淀池
間歇反應沉淀池是一種間歇進行pH調整、混凝反應、靜置沉淀和排水排泥的設備,碳鋼防腐結構,有效容積20m3,3套,設置有攪拌機、pH計、液位控制器,配套加藥裝置,如酸、堿、氯化鈣、PAC和PAM。
3.2 混凝沉淀池
混凝沉淀池集成了3個反應池和一個斜板沉淀池,包含pH調整和混凝反應池。反應池有效容積5m3,單個反應池停留時間10min。斜板沉淀池邊長4.2m,寬2.2m,池深3m。
3.3 混凝氣浮機
混凝氣浮機采用回流加壓溶氣氣浮,使水中的細小懸浮物黏附在微小空氣泡上,隨氣泡一起上浮到水面,形成浮渣,達到除去水中懸浮物,改善水質的目的。該項目采用氣浮機處理量為30m3/h,功率為4.55kW,集成了混凝反應池和pH調整池,另配套氫氧化鈉、PAC和PAM加藥裝置各1套與其他設備共用。
3.4 水解酸化池
水解酸化過程是完整厭氧生物處理過程的一部分,是一種不徹底的有機物厭氧轉化過程,其作用在于使結構復雜的不溶性或溶解性的高分子有機物經過水解和產酸,轉化為簡單的低分子有機物,提高污水的可生化性。本項目水解酸化池有效容積為138m3,停留時間為4.6h,配制潛水攪拌機2臺。
3.5 好氧生物接觸氧化池
好氧生物接觸氧化池兼有活性污泥法和生物膜法的優點,與普通活性污泥好氧池相比,微生物群落更豐富,更能適應水質的變化,低能耗高負荷,對污水中的有機物具有更好的去除效果。本項目好氧生物接觸氧化池有效容積570m3,停留時間為19h,配制鼓風機2臺。
3.6 二沉池
沉池是活性污泥法常用構筑物,使污泥分離,混合液澄清。本項目采用異向流斜板沉淀池,有效容積90m3,停留時間3h,表面負荷1.09m3/(m2·h)。
4、運行效果及分析
在實際運行過程中,間歇反應沉淀池會有一部分浮渣隨著出水排入綜合調節池,之后在連續混凝氣浮中得到去除。間歇收集池中的廢液污染物濃度較高,COD可達到4000mg/L以上,經過間歇混凝沉淀,進入綜合調節池與低濃度廢水混合后,COD可降至1000mg/L以下。綜合調節池廢水通過進一步混凝沉淀和混凝氣浮的處理,出水在生化調節池中與生活污水和RO濃水混合后,COD可降低到500mg/L以下。廢水中存在的少量重金屬經過間歇混凝沉淀和連續的混凝沉淀和混凝氣浮,也都全部去除達標。項目穩定運行6個月后系統運行一個月的監測數據如表4所示,最終處理后出水各項指標均可達標。

結合表1的原水水質情況和表4的處理出水水質情況,生產廢水中氮磷含量較少,表明新能源汽車生產線工藝對含氮磷成分原料的使用進行了有效控制,減少了環境污染。另外受到地方環境管理要求的影響,所有污水包括生活污水和RO濃水都必須經過污水站的處理后再排放,因此使得混合后的污水污染物濃度得到稀釋有所降低,從COD的數據看比較明顯,在生化處理前COD指標就基本達標。經過生化處理后,最終出水的水質遠好于《污水綜合排放標準》(GB8978—1996)中的三級標準,接近一級標準。
5、結論
新能源汽車整車廠產生的廢水種類較多,水質情況復雜,水質水量變化大,需要通過分質分流收集,分別做好預處理。通過混凝沉淀和混凝氣浮結合的物化預處理與水解酸化和好氧接觸氧化結合的生化處理組合工藝能有效處理新能源汽車整車廠廢水,工藝能夠運行穩定可靠,出水達標。從節能減排的角度考慮,新能源汽車整車廠廢水的處理,可以進一步考慮回收利用,甚至實現零排放處理,實現更好的經濟效益、環境效益和社會效益。(來源:上海清浥環保科技有限公司)



