公布日:2023.09.05
申請日:2023.07.14
分類號:F23G5/12(2006.01)I;F23G5/027(2006.01)I;F23G5/44(2006.01)I;C02F11/10(2006.01)I;F23G7/00(2006.01)I
摘要
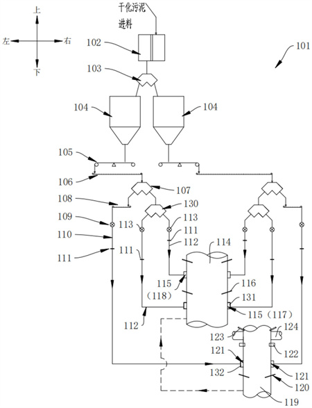
本發明提供了一種水泥窯協同處置污泥裝置,該裝置包括污泥倉、預燃室、分解爐、煙室、輸送組件和水泥窯,預燃室設有預燃室污泥入口、三次風入口、煤粉入口和預燃室出口,分解爐設置有第二污泥入口、分解爐污泥入口和分解爐出口,預燃室出口與分解爐連通,輸送組件用于將污泥倉中的污泥的一部分輸送至預燃室污泥入口,以及將污泥倉中的污泥的另一部分輸送至第二污泥入口、分解爐污泥入口,分解爐出口與水泥生產線預熱器系統最低一級旋風筒連接,最低一級旋風筒與水泥窯連接,污泥和水泥生料在分解爐中分解,在水泥窯中煅燒成水泥熟料。本發明的水泥窯協同處置污泥裝置,能夠使污泥充分燃燒,提高污泥的燃盡率。

權利要求書
1.水泥窯協同處置污泥裝置,其特征在于,包括:污泥倉,用于儲存待處理的污泥;預燃室,用于燃燒所述污泥,所述預燃室設有預燃室污泥入口,所述預燃室污泥入口用于讓所述污泥進入所述預燃室;分解爐,用于燃燒所述污泥,所述分解爐設置有分解爐污泥入口和分解爐出口,所述分解爐與所述預燃室連通,以使離開所述預燃室的所述污泥能夠進入所述分解爐,所述分解爐污泥入口用于讓所述污泥進入所述分解爐,所述分解爐出口用于讓所述污泥離開所述分解爐;輸送組件,用于使所述污泥倉中的所述污泥的一部分通過所述預燃室污泥入口進入所述預燃室,以及用于使所述污泥倉中的所述污泥的另一部分通過所述分解爐污泥入口進入所述分解爐;水泥窯,所述水泥窯和所述分解爐出口連接,以使離開所述分解爐的所述污泥進入所述水泥窯中,所述水泥窯用于將所述污泥和水泥生料煅燒成水泥熟料。
2.根據權利要求1所述的水泥窯協同處置污泥裝置,其特征在于,被所述輸送組件從所述污泥倉輸送至所述預燃室污泥入口的所述污泥為預燃污泥,被所述輸送組件從所述污泥倉輸送至所述分解爐污泥入口的所述污泥為非預燃污泥,所述預燃污泥的喂料量為Q1,所述非預燃污泥的喂料量為Q2,所述輸送組件被配置為:0.6(Q1+Q2)≤Q1<(Q1+Q2)。
3.根據權利要求1所述的水泥窯協同處置污泥裝置,其特征在于,所述分解爐污泥入口包括第一污泥入口和第二污泥入口,所述污泥在所述分解爐內的流動方向為第一流動方向,所述第一污泥入口和所述第二污泥入口在所述第一流動方向上依次間隔設置。
4.根據權利要求3所述的水泥窯協同處置污泥裝置,其特征在于,所述分解爐內的氣體從所述第一污泥入口運動至所述第二污泥入口所需要的時間大于0.8秒。
5.根據權利要求3所述的水泥窯協同處置污泥裝置,其特征在于,在所述第一流動方向上,所述第一污泥入口和所述第二污泥入口之間的距離大于8米。
6.根據權利要求3所述的水泥窯協同處置污泥裝置,其特征在于,所述第一污泥入口和所述第二污泥入口均設置有兩個,兩個所述第一污泥入口基于所述分解爐的中軸線對稱設置。
7.根據權利要求3至6中任一項所述的水泥窯協同處置污泥裝置,其特征在于,所述水泥窯的熟料產量為P1,單個所述第一污泥入口的污泥的喂料量為P2,單個所述第二污泥入口的污泥的喂料量亦為P2,0.005≤P2/P1≤0.03。
8.根據權利要求1所述的水泥窯協同處置污泥裝置,其特征在于,所述預燃室污泥入口設置有兩個,兩個所述預燃室污泥入口基于所述預燃室的中軸線對稱設置。
9.根據權利要求1所述的水泥窯協同處置污泥裝置,其特征在于,所述水泥窯的產量為P1,單個所述預燃室污泥入口的污泥的喂料量為P3,0.03≤P3/P1≤0.05。
10.根據權利要求1所述的水泥窯協同處置污泥裝置,其特征在于,所述水泥窯協同處置污泥裝置還包括第一檢測組件,所述第一檢測組件安裝于所述分解爐,所述第一檢測組件用于檢測所述分解爐的內部環境的溫度以及壓力,所述第一檢測組件設置在所述分解爐污泥入口的下游;所述輸送組件與所述第一檢測組件通訊連接,所述輸送組件用于根據所述第一檢測組件的檢測結果調節所述分解爐污泥入口處的所述污泥的喂料量。
11.根據權利要求1所述的水泥窯協同處置污泥裝置,其特征在于,所述水泥窯協同處置污泥裝置還包括第二檢測組件,所述第二檢測組件安裝于所述預燃室,所述第二檢測組件用于檢測所述預燃室的內部環境的溫度以及壓力,所述第二檢測組件設置在所述預燃室污泥入口的下游;所述輸送組件與所述第二檢測組件通訊連接,所述輸送組件用于根據所述第二檢測組件的檢測結果調節所述預燃室污泥入口處的所述污泥的喂料量。
12.根據權利要求1所述的水泥窯協同處置污泥裝置,其特征在于,所述水泥窯協同處置污泥裝置還包括氣體分析儀,所述氣體分析儀安裝于所述分解爐出口處,所述氣體分析儀用于檢測所述分解爐出口處的氧氣濃度和/或一氧化碳的濃度;所述輸送組件與所述氣體分析儀通訊連接,所述輸送組件用于根據所述氣體分析儀的檢測結果調節所述預燃室污泥入口處和/或所述分解爐污泥入口處的所述污泥的喂料量。
13.根據權利要求12所述的水泥窯協同處置污泥裝置,其特征在于,所述水泥窯協同處置污泥裝置還包括三次風閘板,所述三次風閘板與所述氣體分析儀通訊連接,所述三次風閘板用于根據所述氣體分析儀的檢測結果調節送入所述分解爐的風量。
14.根據權利要求1所述的水泥窯協同處置污泥裝置,其特征在于,所述預燃室還設有生料喂料口,所述生料喂料口用于讓所述水泥生料進入所述預燃室,所述污泥在所述預燃室內的流動方向為第二流動方向,所述生料喂料口和所述預燃室污泥入口依次沿所述第二流動方向設置,并且,所述生料喂料口和所述預燃室污泥入口在所述第二流動方向上的距離大于2米。
15.根據權利要求1或14所述的水泥窯協同處置污泥裝置,其特征在于,所述預燃室還設有喂煤口,所述喂煤口用于讓煤進入所述預燃室,所述污泥在所述預燃室內的流動方向為第二流動方向,所述喂煤口和所述預燃室污泥入口依次沿所述第二流動方向設置,并且,所述喂煤口與所述預燃室污泥入口在所述第二流動方向上的距離大于2米。
發明內容
本發明旨在至少解決現有技術中存在的技術問題之一。為此,本發明提出一種水泥窯協同處置污泥裝置,該裝置能夠降低污泥燃燒不充分的風險,提高污泥的燃盡率。
根據本發明的實施例的,包括:污泥倉,用于儲存待處理的污泥;預燃室,用于燃燒所述污泥,所述預燃室設有預燃室污泥入口,所述預燃室污泥入口用于讓所述污泥進入所述分解爐;分解爐,用于燃燒所述污泥,所述分解爐設置有分解爐污泥入口和分解爐出口,所述分解爐與所述預燃室連通,以使離開所述預燃室的所述污泥能夠進入所述分解爐,所述分解爐污泥入口用于讓所述污泥進入所述分解爐,所述分解爐出口用于讓所述污泥離開所述分解爐;輸送組件,用于使所述污泥倉中的所述污泥的一部分通過所述預燃室污泥入口進入所述預燃室,以及用于使所述污泥倉中的所述污泥的另一部分通過所述分解爐污泥入口進入所述分解爐;水泥窯,所述水泥窯和所述分解爐出口連接,以使離開所述分解爐的所述污泥進入所述水泥窯中,所述水泥窯用于將所述污泥和水泥生料煅燒成水泥熟料。
根據本發明實施例的,至少具有如下有益效果:現有技術中的其中一種水泥窯協同處置污泥技術,會將污泥倉的污泥全部送入預燃室,然后將從預燃室離開的污泥送入水泥窯中;然而,預燃室的容量較小并且溫度偏低,在污泥處理量大的情況下污泥燃燒不充分,污泥燃盡率低。現有技術中的另一種水泥窯協同處置污泥技術,會將污泥倉中的污泥直接送入窯尾煙室;然而,直接送入窯尾煙室的污泥未經過前置的燃燒或加熱,污泥的水分較高,污泥的燃盡率低,增加水泥窯的負荷,造成水泥熟料的減產。
本發明的裝置,選擇將污泥倉的一部分污泥依次送入預燃室、分解爐和水泥窯,并將另一部分污泥直接送入分解爐再送入水泥窯。相比于將污泥倉的全部污泥送入預燃室的現有技術,本發明將污泥倉的一部分污泥直接送入分解爐,減少了預燃室所需要處理的污泥,這樣有利于降低污泥燃燒不充分的風險。此外,最終進入水泥窯的污泥中,有一部分污泥(預燃污泥)是先后在預燃室和分解爐中燃燒過的,這部分污泥的燃燒時間較長,這部分污泥的燃盡率較高,相應地,進入水泥窯的污泥的整體的燃盡率也較高。
根據本發明的一些實施例,被所述輸送組件從所述污泥倉輸送至所述預燃室污泥入口的所述污泥為預燃污泥,被所述輸送組件從所述污泥倉輸送至所述分解爐污泥入口的所述污泥為非預燃污泥,所述預燃污泥的喂料量為Q1,所述非預燃污泥的喂料量為Q2,所述輸送組件被配置為:0.6(Q1+Q2)≤Q1<(Q1+Q2)。
根據本發明的一些實施例,所述分解爐污泥入口包括第一污泥入口和第二污泥入口,所述污泥在所述分解爐內的流動方向為第一流動方向,所述第一污泥入口和所述第二污泥入口在所述第一流動方向上依次間隔設置。
根據本發明的一些實施例,所述分解爐內的氣體從所述第一污泥入口運動至所述第二污泥入口所需要的時間大于0.8秒。
根據本發明的一些實施例,在所述第一流動方向上,所述第一污泥入口和所述第二污泥入口之間的距離大于8米。
根據本發明的一些實施例,所述第一污泥入口和所述第二污泥入口均設置有兩個,兩個所述第一污泥入口基于所述分解爐的中軸線對稱設置。
根據本發明的一些實施例,所述水泥窯的熟料產量為P1,單個所述第一污泥入口的污泥的喂料量為P2,單個所述第二污泥入口的污泥的喂料量亦為P2,0.005≤P2/P1≤0.03。
根據本發明的一些實施例,所述預燃室污泥入口設置有兩個,兩個所述預燃室污泥入口基于所述預燃室的中軸線對稱設置。
根據本發明的一些實施例,所述水泥窯的產量為P1,單個所述預燃室污泥入口的污泥的喂料量為P3,0.03≤P3/P1≤0.05。
根據本發明的一些實施例,所述水泥窯協同處置污泥裝置還包括第一檢測組件,所述第一檢測組件安裝于所述分解爐,所述第一檢測組件用于檢測所述分解爐的內部環境的溫度以及壓力,所述第一檢測組件設置在所述分解爐污泥入口的下游;所述輸送組件與所述第一檢測組件通訊連接,所述輸送組件用于根據所述第一檢測組件的檢測結果調節所述分解爐污泥入口處的所述污泥的喂料量。
根據本發明的一些實施例,所述水泥窯協同處置污泥裝置還包括第二檢測組件,所述第二檢測組件安裝于所述預燃室,所述第二檢測組件用于檢測所述預燃室的內部環境的溫度以及壓力,所述第二檢測組件設置在所述預燃室污泥入口的下游;所述輸送組件與所述第二檢測組件通訊連接,所述輸送組件用于根據所述第二檢測組件的檢測結果調節所述預燃室污泥入口處的所述污泥的喂料量。
根據本發明的一些實施例,所述水泥窯協同處置污泥裝置還包括氣體分析儀,所述氣體分析儀安裝于所述分解爐出口處,所述氣體分析儀用于檢測所述分解爐出口處的氧氣濃度和/或一氧化碳的濃度;所述輸送組件與所述氣體分析儀通訊連接,所述輸送組件用于根據所述氣體分析儀的檢測結果調節所述預燃室污泥入口處和/或所述分解爐污泥入口處的所述污泥的喂料量。
根據本發明的一些實施例,所述水泥窯協同處置污泥裝置還包括三次風閘板,所述三次風閘板與所述氣體分析儀通訊連接,所述三次風閘板用于根據所述氣體分析儀的檢測結果調節送入所述分解爐的風量。
根據本發明的一些實施例,所述預燃室還設有生料喂料口,所述生料喂料口用于讓所述水泥生料進入所述預燃室,所述污泥在所述預燃室內的流動方向為第二流動方向,所述生料喂料口和所述預燃室污泥入口依次沿所述第二流動方向設置,并且,所述生料喂料口和所述預燃室污泥入口在所述第二流動方向上的距離大于2米。
根據本發明的一些實施例,所述預燃室還設有喂煤口,所述喂煤口用于讓煤進入所述預燃室,所述污泥在所述預燃室內的流動方向為第二流動方向,所述喂煤口和所述預燃室污泥入口依次沿所述第二流動方向設置,并且,所述喂煤口與所述預燃室污泥入口在所述第二流動方向上的距離大于2米。
本發明的附加方面和優點將在下面的描述中部分給出,部分將從下面的描述中變得明顯,或通過本發明的實踐了解到。
(發明人:陶從喜;王明;沈序輝;何明海;梁乾;蔣文偉;李維;覃淮青;洪宗賢)






